这是描述信息
/
/
/
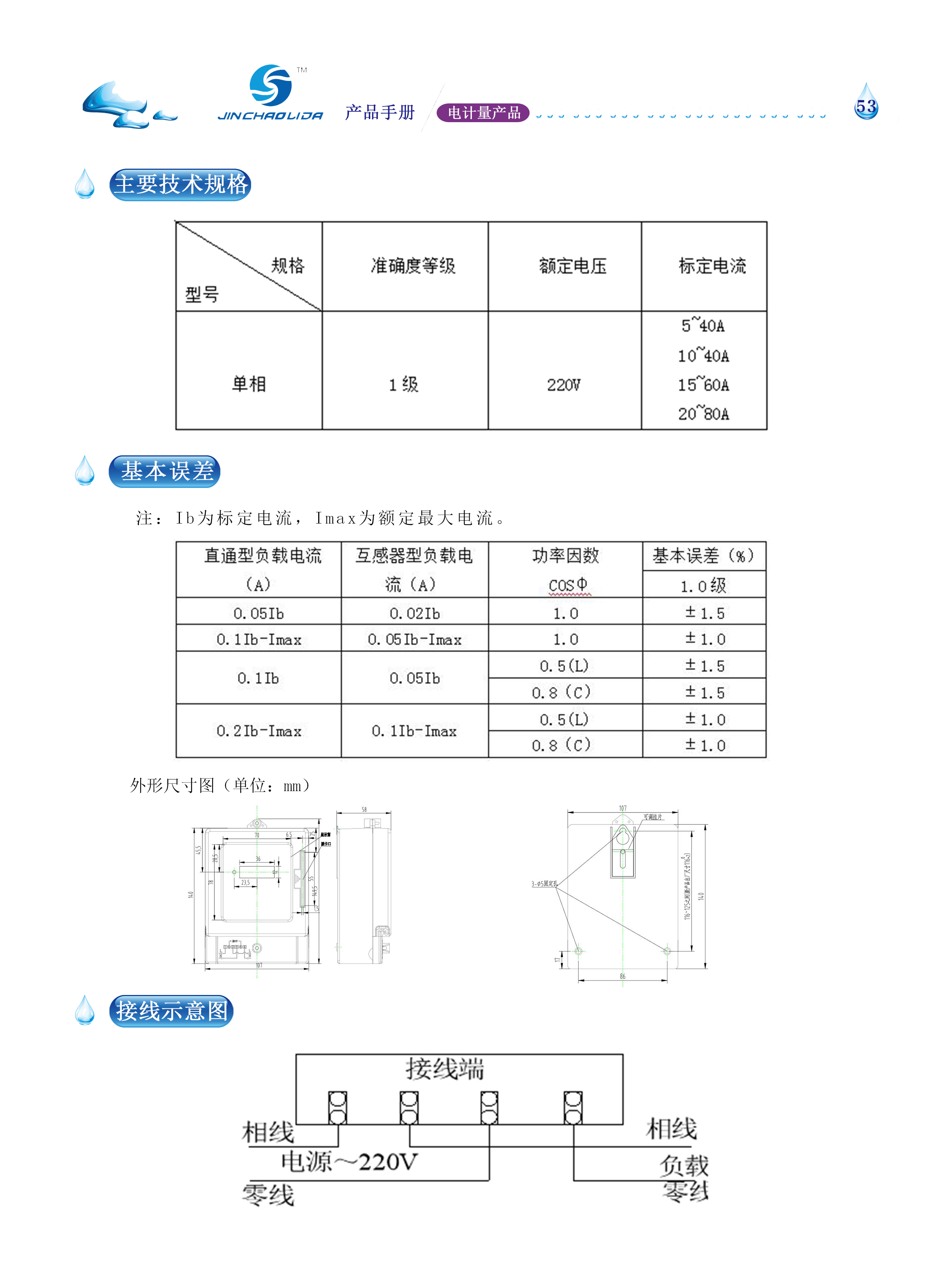
NB-IOT 单相电子式预付费电能表

产品分类

浏览量:
1000

NB-IOT 单相电子式预付费电能表

零售价
0.0
市场价
0.0
浏览量:
1000
数量
-
+
库存:
0
1
产品描述

未找到相应参数组,请于后台属性模板中添加

联系我们

 

地址:天津市华苑产业园区

公众号二维码

扫一扫,关注我们

版权所有 : 天津金超利达集团科技有限公司    津ICP备17001621号-1     津公网安备12011502000910    网站建设:中企动力   天津